版權(quán)所有 ? 2020-2021 張家港市南承機(jī)械有限公司 版權(quán)所有. 蘇ICP備11006056號(hào)-1 網(wǎng)站地圖

電話 :邱經(jīng)理:13601566060
胡經(jīng)理:18020239038

郵箱地址 :peter@chinancjx.com

聯(lián)系地址 : 江蘇省張家港市樂(lè)余鎮(zhèn)兆豐同心路9號(hào)
邱經(jīng)理:13601566060 / 胡經(jīng)理:18020239038
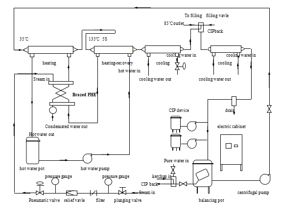
主要用于果汁、茶飲料、鮮奶、葡萄酒等熱敏性液體的殺菌、保溫、冷卻,殺菌溫度在85℃-135℃。